


Отправка с 17 января 20261 310 075 ₸
Сертификат соответствия OC-2-OT-0833
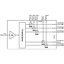
Vermax-MLP-8x18 P (модель с CWDM) – является высокопроизводительным EDFA усилителем с низким уровнем шума. Каждый выход имеет встроенный CWDM мультиплексор длин волн 1310/1490/1550 нм, благодаря чему достигается уменьшение количествя оборудования в тракте, улучшение качественных показателей и повышается общая надежность системы. Это идеальное оборудование для сетей FTTx, обеспечивающее гибкое и недорогое решение для интеграции WDM и FTTH.
Эксплуатационные характеристики EDFA Vermax-MLP-8x18 P: